RS-Flip-Flop

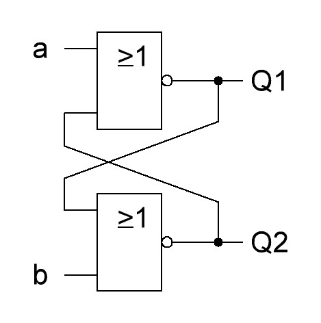
NAND

b a \[\overline b \] \[\overline a \] Q1 Q2
0 0 1 1 1 1
0 1 1 0 0 1
1 0 0 1 1 0
1 1 0 0 Q1 Q2

\[\begin{array}{l}{Q_1} = \overline a + b \cdot {Q_1}\\{Q_2} = \overline b + a \cdot {Q_2}\end{array}\]

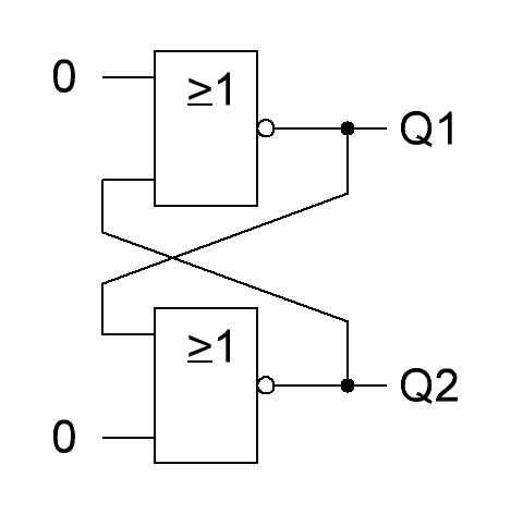
NOR

b a \[\overline b \] \[\overline a \] Q1 Q2
0 0 1 1 Q1 Q2
0 1 1 0 0 1
1 0 0 1 1 0
1 1 0 0 0 0

\[\begin{array}{l}{Q_1} = \overline a \cdot (b + {Q_1})\\{Q_2} = \overline b \cdot (a + {Q_2})\end{array}\]

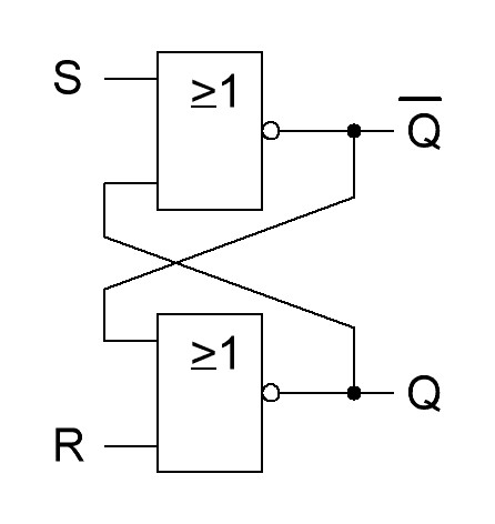
RS Flipflop

S R Q \[\overline Q \]
0 0 Q \[\overline Q \] Speichern
0 1 0 1 RESET
1 0 1 0 SET
1 1 1 1 ERROR

\[\begin{array}{l}Q = s + Q\\\overline Q = r + \overline Q \end{array}\]


S R \[\overline Q \] Q
0 0 \[\overline Q \] Q Speichern
0 1 1 0 RESET
1 0 0 1 SET
1 1 0 0 ERROR

\[\begin{array}{l}Q = \overline R \cdot (S + Q)\\\overline Q = \overline S \cdot (R + \overline Q )\end{array}\]